MBRP-22B24-M8
Can't find what you're looking for? Go to the Product Selector
Brake, 摩擦, Metric Power off Brake, MBRP系列-22, 56 毫米 Outside Diameter, 8 毫米 Bore, 24 Vdc, 1.00 Nm 靜態力矩
- MBRP系列是斷電、直流、彈簧組制動器,是適合眾多應用的低成本、多功能替代解決方案。該系列有15、19、22、26和30共5種機架尺寸,且擁有卓越的扭矩尺寸比。此外,作為通用產品系列,還提供許多額外功能。
- 轉子組件上的專用摩擦材料可大幅度提升最大制動性能并延長使用壽命。
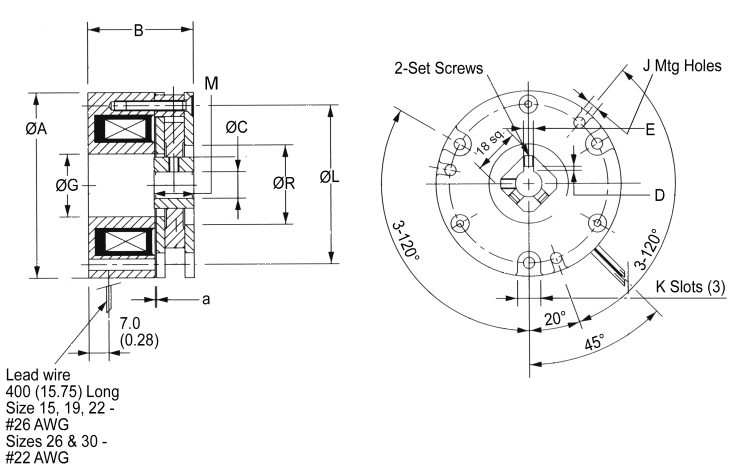
- 制動器可以方便地安裝在電機或者機架上。簡單的方形驅動輪轂可通過提供的固定螺釘和鍵槽安裝到軸上。
- 全密封線圈滿足“F”級絕緣的最低要求。
- UL認證部件
- 具有防振功能的方形驅動輪轂可實現安靜運行。
- RoHS認證
