MS46L-200660
Can't find what you're looking for? Go to the Product Selector
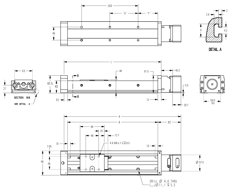
MS46LK0N0936-082B001A0A00, 直線運動單元, Micro Stage, Continuously Supported, 梯形絲桿 Drive, 滾珠 Guide, 0.005 毫米 Repeatability, 預加載, 793 毫米 Stroke, 單個標準滑塊, 3 毫米 Travel Per Shaft Rev, Inline, 100 Maximum Linear Speed
- 緊湊型輕量封裝
- 帶消隙螺母的不銹鋼梯形絲杠提供精確的可重復性
- 分段式直線軸承可提供平穩運動
- 可選耐腐蝕選項
