PMB-60B190-M20-MRD
Can't find what you're looking for? Go to the Product Selector
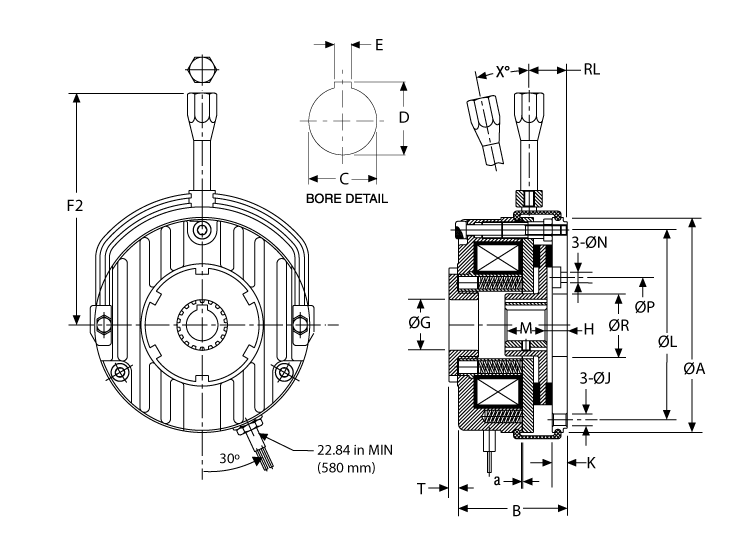
Brake, 摩擦, Power-off Brake, PMB系列-60, 5.787 英寸 Outside Diameter, 20.0 毫米 Bore, 190 Vdc, 283 in-lbs 靜態力矩, Manual Release & Dust Cover
- PMB系列是一種斷電、直流、彈簧組制動器,為眾多應用提供了一種低成本、多功能的替代解決方案。該系列具有卓越的扭矩尺寸比。
- 力矩調整環使得力矩能夠根據應用變化。
- 轉子組件上的專用摩擦材料可大幅度提升最大制動性能并延長使用壽命。
- 制動器可以方便地安裝在電機或者機架上。制動器內包括安裝五金件。簡單的花鍵驅動輪轂可通過提供的固定螺釘和鍵槽安裝到軸上。
- 制動器外殼的設計可提供卓越的散熱效果。
- 全密封線圈滿足“F”級絕緣的最低要求。
- UL認證部件。
- 具有防振功能的花鍵驅動輪轂可實現安靜運行。
